Privatkund
(inkl. moms)
Företagskund
(exkl. moms)
Snabba leveranser, trygg betalning, upp till tre års garanti.
Köpvillkor
Logga in
Sök
0 artiklar, 0 kr
Till kassan
Kundvagnen är tom
0 artiklar
Totalt 0 kr
Till kassan
Olja & Bilvård
Batterier & Belysning
Släpvagn & Husvagn
Handelsstål
Entreprenad
Tillbehör
Outlet
Bilvård
Avfettning/Förtvätt
Däck & Fälgtvätt
Glas & Fönster
Gör Det Med RW
Plast & Gummi
Textil & Interiör
Tvätt
Tvättredskap
Vax & Polering
Glykol och spolarvätska
Olja
Hydraulolja
Motorolja Bil
Motorolja MC
Motorolja Skoter/Båt
Motorolja Tunga Fordon
Transmissionsolja
Övriga Oljor
Övrig Kemi
AdBlue
Bromsvätska
Bränsle
Fett
Förstärkare
Karosseri & plastreparation
Kylartätning
Lim
Packning & tätning
Packningsskydd
Rengörare
Rostlösare
Rostskydd
Spray
Payback
Aerosol
Bränsletillsats
Olja
Tillsatser
Tvätt
Batterier
Bilbatteri
Fritid/Marin
Laddare och Starthjälp
MC & Skoter
Stav/Knappceller
Övrigt batterier
Belysning
Arbetsbelysning
Extraljus
Extraljuspaket
Fästen
Kabelsatser
Lampor/Lamphållare
LED-lampor
Ledramper
Montering
Xenon
Kontakter
13 Poliga
7 Poliga
Adaptrar
Kula
Kulkoppling
Kulskydd
Lås
Reservdelar
Belysning
Bromsbackar
Bromsvajer
Damask
Dämpare
Hjullager
Innerrör
Montering
Nav
Trummor
Övrigt Släp
Stroppar
Stödhjul
Vajer
Aluminium
Ark
Kvadratiska rör
Plattjärn
Vinkelprofil
Balkar
UPE
Plattstål
Profiler
Fyrkant ej liksidig
Fyrkant liksidig
U-profil
Rundstål
Rör
Vinkelstål
Övrigt Stål
Fyrkantsstång solid
Ändpluggar
Batterier
Tunga batterier
Belysning
Övrig entreprenadbelysning
Fastighet
Sandlådor
Glykol & Spolarvätska
Olja & Smörjmedel
Tillbehör & Förbrukning
Avgas
Avgas övrigt
Montering
Biltillbehör
Bilstereo
Däcktillbehör & Navkapslar
Lasta
Motor- & Kupévärmare
Utvändigt
Vinter
Övriga tillbehör
Elektronik
Elinstallation
Relä
Säkringar
Övrig Elektronik
Förbruksartiklar
Bult, Mutter & Skruvar
Papper
Sanering och rengöring
Slang
Slangklammer
Tvål och handrengöring
Övrig förbrukning
Buntband
Karosseriproppar
Tejp
Skoter
Verktyg
El- & Tryckluftsverktyg
Handverktyg
Kapskivor
Slipskiva
Tillbehör Elverktyg
Övriga tillbehör
Förbrukningsmaterial
Koncentratsprutor
Lyftredskap
Oljeredskap
Dunk, kanna och mått
Fat- & Dunkhantering
Övriga fästelement och tillbehör
Fjäderpinnar
Hårnålssprintar
Ringsprintar
Saxpinnar
Wirelås
Köpvillkor
Om oss
Öppettider
Sök reservdelar:
(Fyll i ditt registreringsnummer)
Sök
Autoparts
/
Batterier & Belysning
/
Belysning
/
Montering
/
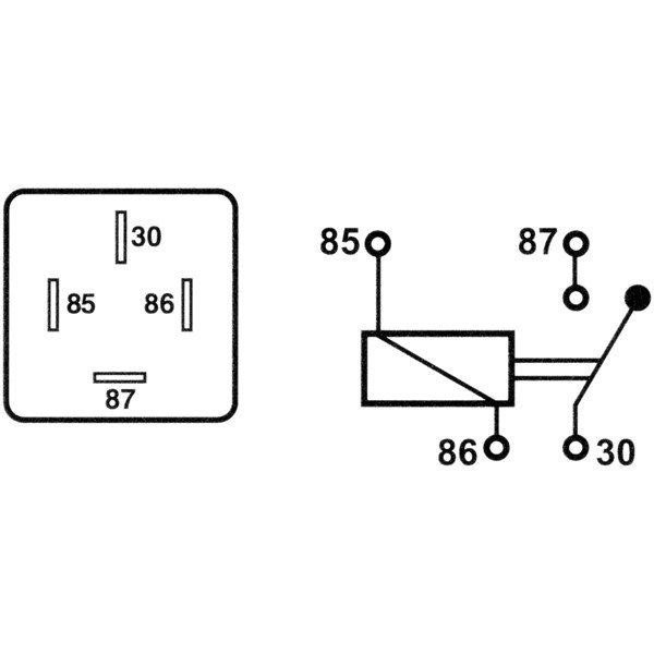
Relä 12v 100A
Relä 12V 100A
299 kr
10+ st i lager. Leveranstid: 1–3 dagar
st
Lägg i kundvagnen
Artikeln har lagts till i
!
Artikelnummer:
330-ED905